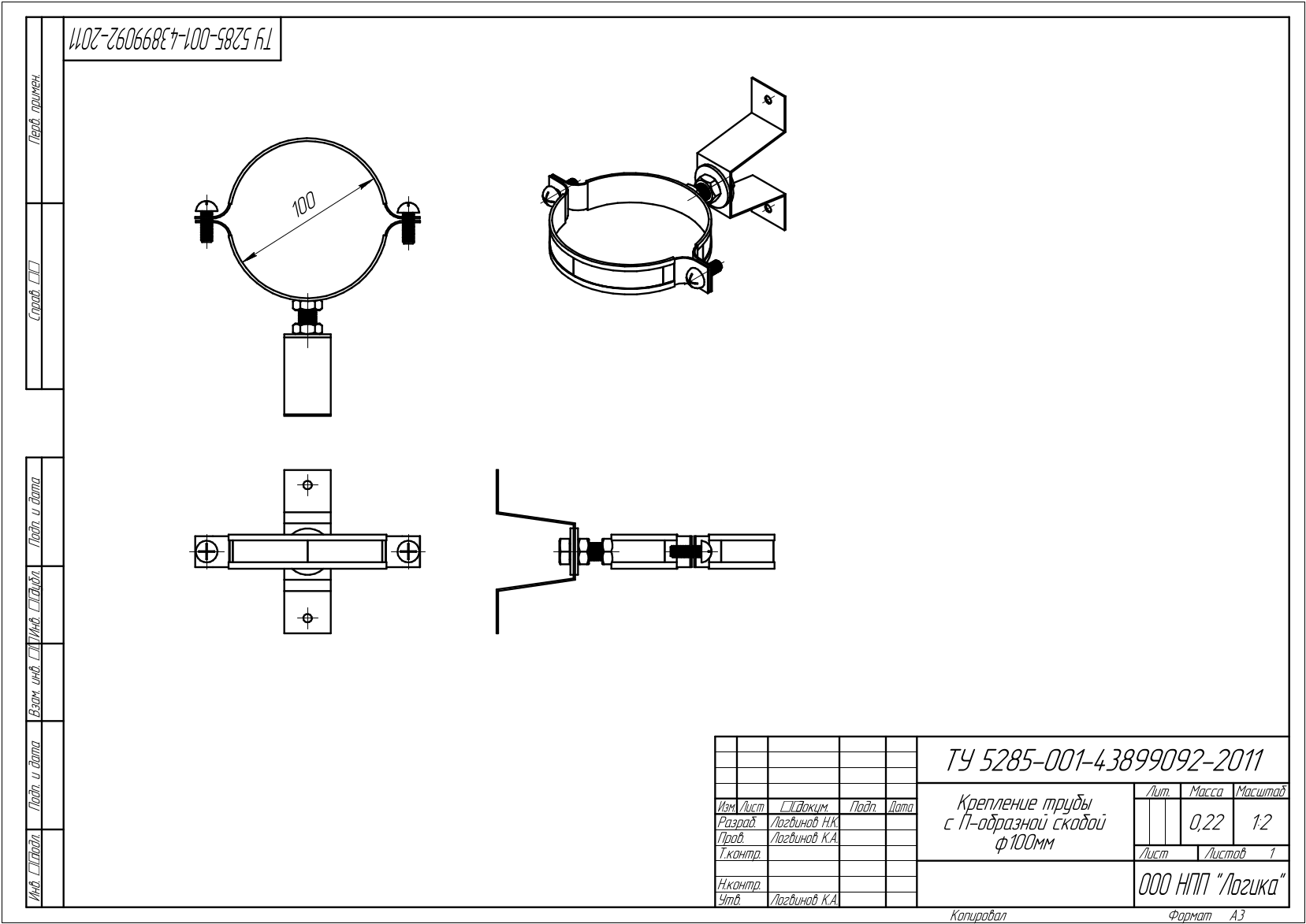
Крепление трубы с П-образной скобой
- Тип крепления
- на сэндвич-панель;
на дерево. - Диаметр
- 100 – 200 мм
- Цвет
- по каталогу RAL, неокрашенный
- Покрытие
- Порошковая покраска, оцинкованный
Уважаемые проектанты!
Вы можете по ссылке скачать чертежи в dwg формате.
Крепление трубы с П-образной скобой предназначено для использования на фасаде здания для надежной фиксации вертикальных участков водосточной системы к стене. Рекомендуемый шаг креплений составляет 1200 мм, что обеспечивает надежное закрепление трубы. Данное крепление одно из наиболее универсальных и подходит для различных типов покрытий, включая кирпичную кладку, бетон и дерево, панели сэндвич.
Крепление имеет круглую форму и изготовлено из оцинкованной стали, что обеспечивает высокую устойчивость к коррозии и длительный срок службы даже в агрессивных атмосферных условиях. Для дополнительной защиты от коррозии, а также повышения эстетических характеристик, может быть нанесено полимерное покрытие.
Крепление предназначено для круглых труб и совместимо с другими элементами водосточной системы, производимыми ООО НПП «Логика» соответствующего диаметра. Оно подходит для использования с водосточными трубами, воронками, коленами и отводами, обеспечивая надёжное и долговечное крепление без необходимости применения дополнительных переходников или муфт.
Для надежного закрепления водосточных систем, используйте крепления трубы нашего производства. Они являются оптимальным решением.
Вы можете по ссылке скачать чертежи в dwg формате.
Крепление трубы с П-образной скобой предназначено для использования на фасаде здания для надежной фиксации вертикальных участков водосточной системы к стене. Рекомендуемый шаг креплений составляет 1200 мм, что обеспечивает надежное закрепление трубы. Данное крепление одно из наиболее универсальных и подходит для различных типов покрытий, включая кирпичную кладку, бетон и дерево, панели сэндвич.
Крепление имеет круглую форму и изготовлено из оцинкованной стали, что обеспечивает высокую устойчивость к коррозии и длительный срок службы даже в агрессивных атмосферных условиях. Для дополнительной защиты от коррозии, а также повышения эстетических характеристик, может быть нанесено полимерное покрытие.
Крепление предназначено для круглых труб и совместимо с другими элементами водосточной системы, производимыми ООО НПП «Логика» соответствующего диаметра. Оно подходит для использования с водосточными трубами, воронками, коленами и отводами, обеспечивая надёжное и долговечное крепление без необходимости применения дополнительных переходников или муфт.
Для надежного закрепления водосточных систем, используйте крепления трубы нашего производства. Они являются оптимальным решением.
- Ссылка на pdf каталог
- Каталог водосточных систем
- Тип крепления
- на сэндвич-панель;
на дерево. - Диаметр
- 100 – 200 мм
- Цвет
- по каталогу RAL, неокрашенный
- Покрытие
- Порошковая покраска, оцинкованный
